そんなん今さらどうすんの、な機械の続き。
外装が悲しい状態なのでせめてフロントパネルだけでもばらして掃除したいんですが、そのためにはこのジャックの半田付けをいちいち外さなくてはなりません。
そもそも6ピンのマイクなんか持ってませんので、前から外せるジャックに交換するついでにピン配をケンウッド(トリオ)仕様にしてみます。

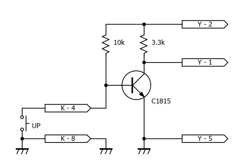
で、両者を見比べてみたところ…UP/DOWNのコモン(共通)側の扱いが違ってそうな感じ。
ネットにあった回路図を見ても怪しさ満点だったんですが、動作状態で実測してみましたら627はやっぱりの+5V。
これはつまり、単につなぎ替えるだけではダメってことなんですよねぇ

それで、論理反転の必要がありますんで安直に考えたこういう回路を仮接続。
これで動くのは動いたんですが、UP/DOWNに必要な電流実測0.4mAに対し待機時のコレクタ電流が合計3mA。
(試してみたところ3.3kΩは4.7kΩ以上にすると不安定になってダメ)
電池で動かす機械ではないとはいうものの、これは全く面白くありません。

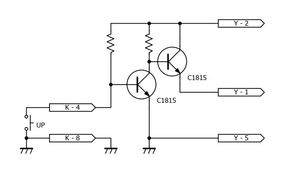
例えばこうすればもう少し減らせるとはいうものの、大げさになってしまってこれまた面白くない。

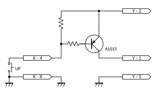
PNPを使えば解決しそうですけど、抵抗の選定が面倒やな…
ってこれ、よく見たら

あの時のアレそのものでええやん!
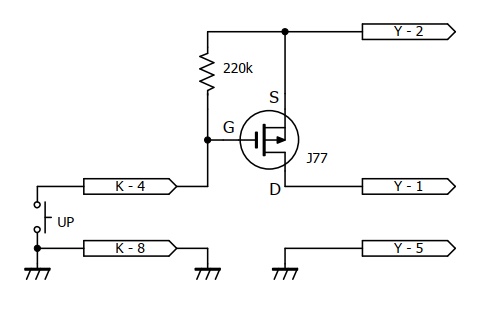
ちょっと形状が大きいんですが手持ちに100本近くある2SJ77というので試してみたら、うまいこと動きましたんで
早速ジャックを外してフロントパネルを丸洗い。

乾くのを待つ間に全体をまとめてから
仕込みにかかります。
省スペースのために採用したチップ抵抗。
2012なんで半田付けそのものはわりと簡単なんですが、ちゃんとついてるかどうかデジカメで撮影しないと確認できないのが悲しいところ(^^;
0.4mAのしかもほぼ瞬時なので放熱については無視。
これを、いつもの両面テープで(^^;
ところが計算違い発生、出面が足りません。
一つ前の写真でお分かりのように、ジャンクから外してきたジャックの裏側についてた小さい基板、すべてのピンに小さいパスコン(102)が仕込まれてたんでこれ幸いとそのまま使ったのがダメだったようで、その基板が引っかかってジャックそのものが出きってないという状況。
この状態でもUP/DOWN/PTTは動作しますしMC-43S(ダイナミックマイク)ではちゃんと音声も乗るんですが、電源を接続してないのでコンデンサマイクでは使えないことが判明。
って、至極当たり前のことなんですが(^^;
というわけで、これ以降はまた時間のあるときに取りかかります。
うまく改造されたとのことで、ご苦労さまです。
わりと簡単、のリンク先を見ますとC9が電極剥離してるように見えますが。JF6DEUさん所に、初コメントさせていただきましたように、基板にシルク印刷があるのは序の口だと思います。
当方は、例のアレを何とかすべく、U黒目録を試したりしましたが、きりがないのは同様で。ファビコンが、その画像のバイナリーデータを、base64で英数字化(あの頃でいうishのような物?)されたimage addressを持っている場合があるのと、U遮元祖が、image addressに対応しているのが分かり、応用を効かせてみました。古いのはbase64ではないようで、検索結果の表示数自体は減りますが、新しいほどbase64が多いようで、ファビコンの画像そのもののbase64を見て弾いているので、ジャンルに関係なく上手くいっているようです。
Google USで「example」で、Image searchしても効いているようですし。比較確認するため、ドイツ、フランス、香港、韓国、他、Googleの海外サーバーで現地語で検索しますと、アレは目立たず、蔓延っているのは日本?だけのようです。もっとも、海外っぽいサイトにカタカナや漢字の日本語表記があること自体がアレで、他にも一杯あるのではと今になって気づきました(^^;)。
全然気がつきませんでしたが、なるほどちょっと変な感じにも見えますね。
あの個体は当時上の息子が使ってたんですが、今はもう使ってなかったような記憶があります。機会を見て訊いてみます。
そして、そうですかフィルタ作成なさいましたか!! さすがです。その手の技量が全くありませんので、ファイル名で設定しても意味ないしなぁで終わってしまってました。
いやはや、素晴らしいですね!